О компании

О продукции

Каталоги

Программы

Прайс-лист

Каталоги производителей

Услуги

Выставки

Главная > Услуги компании > Поставка холодильного оборудования, компонентов и расходных материалов > Вентиляторы радиальные Rosenberg > Центробежные вентиляторы Rosenberg серии ERA > Вентилятор Rosenberg ERAE 250-4 

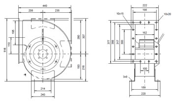
Вентилятор Rosenberg ERAE 250-4

Напряжение электропитания – 230 В.

Частота тока – 50 Гц.

Конденсатор – 16 mF

Максимальная потребляемая мощность электродвигателя – 0.77 кВт.

Максимальный рабочий ток –3.5 А.

Пусковой ток – 5.95 А.

Скорость вращения – 1300 об/мин.

Максимальная температура окр. среды - +65°С.

Степень защиты – IP54.

Масса – 17.5 кг.

Цена вентилятора ERAE 250-4

Рабочая кривая производительности Размеры

© 2004-2026, «Промышленные Холодильные Системы»
Политика в отношении обработки и защиты персональных данных пользователей

Москва (главный офис) Сургут (филиал) Саратов (филиал)

+7 (495)

 

221-22-79
109-22-45
787-04-90
780-66-70

 

+7 (3462)

 

60-03-06
74-78-69

 

+7 (8452)

 

25-00-30
72-40-29

 

 


 

Продолжая находиться на нашем сайте вы соглашаетесь с обработкой cookie-файлов и использованием веб-сервиса Яндекс.Метрика. Мы собираем данные о вашем устройстве (IP-адрес, тип браузера) информацию о ваших действиях на сайте (просмотры страниц, клики). Если вы не согласны с использованием cookies, Яндекс.Метрики и обработкой ваших данных, пожалуйста, покиньте сайт и прекратите его использование.

 
Яндекс.Метрика Яндекс цитирования
VacTekh