|  |  |  | 
| 
 | Главная > Услуги компании > Поставка холодильного оборудования, компонентов и расходных материалов > Холодильные компрессоры "Bitzer" > Винтовые компрессоры серии "OSK/OSN" > Компрессоры OSK > Компрессор "Bitzer" OSK 8561 Компрессор "Bitzer" OSK 8561     
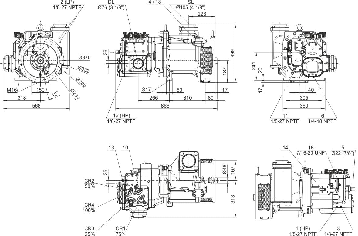
 Модель — OSK 8561 Тип компрессора — винтовой полугерметичный компрессор Область применения — среднетемпературные олодильные системы Разрешена эксплуатация на хладагентах — R-22, R-404a/R-507c, R-407C, R-134a Объемная производительность, м³/ч — 359 Холодопроизводительность, кВт — 171 при Ткип. = -15 °С, Тконд. = +40 °С, хладагент — R-22 Марка масла — B 150SH, B 100 для R-22 Марка масла — BSE 170 (аналог Solest-170, Emkarate RL170H) для R-404a/R-507c, R-407C, R-134a Габаритные размеры (длина×ширина×высота), мм — 866x568x499 Диаметр патрубка всасывания, дюйм — DN 100 Диаметр патрубка нагнетания, дюйм — 3 1/8 Масса нетто, кг — 340   
 
 | 
|  | © 2004-2025, «Промышленные Холодильные Системы» Пользовательское соглашение |  | 
| Москва (главный офис) | Сургут (филиал) | Саратов (филиал) | |||
| +7 (495) 
 | 221-22-79 
 | +7 (3462) 
 | 60-03-06 
 | +7 (8452) 
 | 25-00-30 
 | 
| 
 | 
